确保开发环境就绪
万事开头先,准备工作别马虎。你需要一套完整的开发环境:STM32CubeMX、一个主流的IDE(像Keil MDK或者IAR EWARM都行),以及对应STM32芯片系列的设备支持包。此外,还得去官网把LWIP的源码包下载下来,解压到一个你找得着、路径里也别带中文或空格的地方。
二、使用STM32CubeMX配置工程
下面进入实操环节,用CubeMX来搭框架。
1. 创建新工程:打开STM32CubeMX,根据你手头的硬件,选择准确的STM32芯片型号,创建一个新工程。
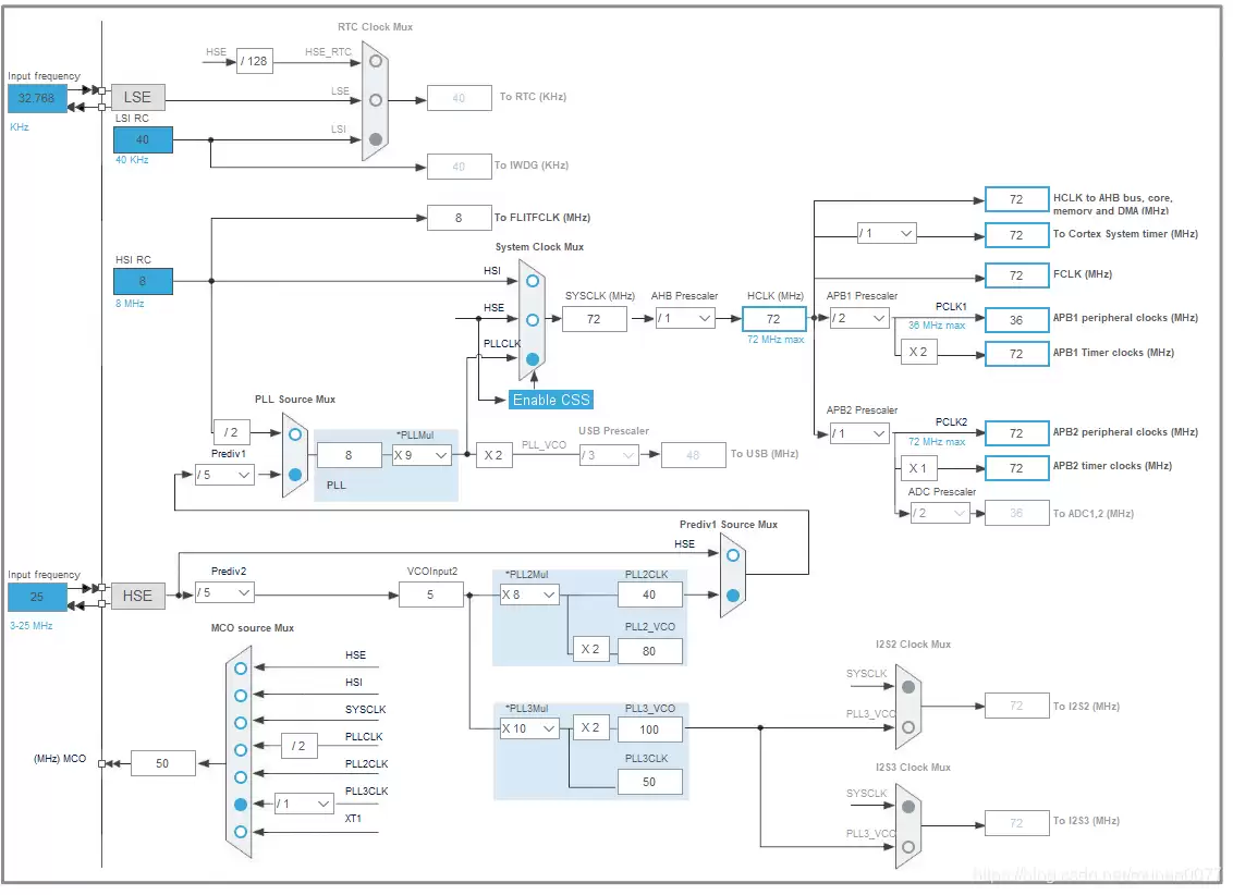
2. 配置时钟树:转到“System Core”里的“RCC”和“Clock Configuration”标签页。这里的关键是把系统主频设置到芯片允许的、且满足你项目需求的最高频率,时钟树配置可是整个系统稳定运行的基石。
3. 启用LWIP中间件:在左侧分类中找到“Middleware”,点开就能看到“LWIP”。选中它,将其状态切换为“Enabled”。
4. 精简配置LWIP参数:这可是精简代码体积的核心步骤。点击进入LWIP的参数配置界面,你会发现选项非常丰富。这时就要根据实际应用做“减法”了。比如,如果你的项目只需要基础的TCP通信,那么像HTTP服务器、SNMP、MQTT这些高级功能完全可以直接禁用。把注意力集中在TCP/IP协议栈的核心参数上,如内存池大小、TCP窗口、并发连接数等,这些参数需要根据你的具体业务和硬件资源来权衡设置。

5. 配置网络物理接口:根据你的硬件连接方式(通常是RMII或MII接口的以太网PHY芯片),在“Pinout & Configuration”标签页中找到以太网(ETH)模块。正确配置相关的引脚复用功能,确保硬件链路畅通无阻。
三、生成代码并在IDE中调整
配置好后,CubeMX的任务就基本完成了,接下来交给代码和编译器。
1. 生成代码框架:点击“Generate Code”按钮,让CubeMX为你生成初始化代码。记得选择好你使用的IDE类型。
2. 导入IDE并检查:打开你的IDE,导入刚刚生成的工程。第一件事,就是检查编译器的包含路径(Include Paths)是否已经正确添加了LWIP源码目录和CubeMX生成的中间件目录。
3. 深度代码优化:这一步是让LWIP真正“瘦身”并适应你平台的关键。首先,可以全局搜索并关闭LWIP内部那些繁琐的调试输出宏(例如LWIP_DEBUG)。更重要的,是审视其内存管理。LWIP默认的内存分配策略(mem_malloc)可能不是最高效的,尤其在资源紧张的STM32上。经验表明,一个常见的优化手段是将其替换为更精简、碎片更少的内存池管理方案,甚至直接挂钩到RTOS(如果你用了的话)或经过验证的第三方内存管理模块上,往往能带来意想不到的性能提升和稳定性增强。
四、初始化与启动LWIP
框架和代码都准备好了,现在该让网络协议栈跑起来了。
1. 协议栈初始化:在main函数的硬件初始化完成后、主循环开始前,按照LWIP的标准流程调用初始化函数。通常以lwip_init()开始,它会初始化协议栈的所有内部模块。
2. 网络参数配置:接下来,需要为你的设备配置网络身份。使用IP4_ADDR等宏定义好IP地址、子网掩码和默认网关。这些信息是设备接入网络世界的“身份证”。
3. 添加并启动网络接口:调用netif_add()函数,将你之前配置的以太网硬件接口(netif)添加到LWIP中,并关联上一步设置的IP信息。别忘了,还需要用netif_set_default()将它设为首选默认接口,最后调用netif_set_up()让其状态变为“启动”。完成这些,硬件链路层和IP网络层就准备就绪了。
五、功能测试与进一步优化
最后的步骤是验证和调优,让系统从“能跑”到“跑得好”。
1. 编写测试程序验证:动手写一个最简单的测试用例,比如创建一个TCP客户端去连接PC上的服务器,并尝试发送“Hello World”。这个阶段的目标很纯粹:只要能ping通,能建立连接并收发数据,就证明移植成功了。
2. 性能分析与瓶颈定位:基础功能通了之后,就要关注性能了。如果发现传输速度不理想或响应慢,可以借助工具进行 profiling。内存占用通常是首要怀疑对象。回过头检查LWIP的缓冲区配置(如PBUF_POOL_SIZE, TCP_SND_BUF),在保证不丢包的前提下,适当调小这些缓冲区,往往能释放出可观的内存,从而提升整体响应速度。
3. 持续迭代优化:嵌入式开发中,资源优化是一个持续的过程。结合真实的业务数据流,持续监控系统的内存使用情况和网络吞吐量,反复微调LWIP的各项参数和你的内存管理策略。最终目标,是让LWIP这个通用的协议栈,在你的特定STM32平台上,达到一个精简、稳定、高效的最佳平衡状态。