1月27日消息,程序员兼硬件极客Maniek86耗时近半年,从最基础的电路原理图绘制起步,自主完成PCB布局布线,并全程手写实现芯片组逻辑,成功研制出一块功能完备的Intel 486架构主板——M8SBC-486。
该主板不仅可稳定加载Linux、MS-DOS、FreeDOS等操作系统,还能顺畅运行《毁灭战士》《德军总部3D》等DOS时代标志性游戏,甚至在特定配置下顺利引导Windows 3.1。

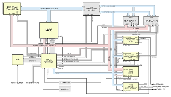
Maniek86特别指出,该项目并非对既有方案的复刻或优化,而是彻头彻尾的原创设计:涵盖全部芯片逻辑定义、引脚电气时序规范以及底层BIOS固件开发。
为此,他必须深度掌握486处理器的总线通信机制、时钟分频策略、中断响应流程及内存访问时序等关键底层知识。
在其个人技术博客中,他完整复盘了从焊接阻容等微型被动器件,到攻克144引脚FPGA与ATMega128单片机等高密度主动芯片的贴装难点,甚至为适配PGA封装CPU,专门定制了由多个DIP插座切割拼接而成的专用插槽。

调试过程同样充满波折:SRAM元件标签方向误标引发短路、不同封装芯片混用导致兼容异常、可编程中断控制器(PIC)功能缺失等问题接连出现。但他通过加装临时下拉电阻、自制转接模块等方式,一一化解这些硬伤。
最终,在示波器实时波形监测辅助下,他首次让486 CPU在自研主板上成功执行死循环指令,并逐步拓展出ISA总线通信能力,完成了从元器件焊接、供电验证、CPU启动到外设总线联通的全链路打通。
目前,Maniek86已将全部设计资料——包括原理图、PCB工程文件及BIOS源码——悉数开源至GitHub平台。他坦言,当前版本仍存在优化空间,后续将重点增强ISA扩展槽稳定性与x86 PC生态兼容性。
